-
3.5A, 3.0-15.0V 深圳单通道H桥驱动芯片SA8339
发布时间:2026-01-243.5A, 3.0-15.0V 单通道H桥驱动芯片SA8339DescriptionThe SA8339 is one channel H-Bridgedriver IC, it provides integratedmotor-drive...
查看详情 -
3.0V-18.0V大功率直流电机驱动芯片BDR6125,深圳双向电机驱动IC 持续电流 4.50A,峰值 7.5A
发布时间:2026-01-213.0V-18.0V大功率直流电机驱动芯片BDR6125,双向电机驱动IC 持续电流 4.50A,峰值 7.5A产品概述 BDR6125是一款DC双向电机驱动电路,适用于智能锁、个人护理、宠物电器等电机驱动产品。具有两个逻辑输入端子用来控制...
查看详情 -
单通道 12V 2.5A 深圳有刷直流电机驱动器LTK8324 替代兼容TC618CS
发布时间:2026-01-15单通道 12V 2.5A 有刷直流电机驱动器LTK8324 替代兼容TC618CS特 性●带电流控制的单通道H桥电机驱动器●驱动一个直流电机、一个步进电机绕组或其他负载●工作电压范围:2.5V-12V●低导通电阻:高侧+低侧(HS+LS=1...
查看详情 -
SA8870A 7.0-40.0V 4.5A深圳双向电机控制芯片 有刷直流电机驱动
发布时间:2026-01-12SA8870A 7.0-40.0V 4.5A双向电机控制芯片 有刷直流电机驱动Description The SA8870A device is a brushed-DCmotor driver for robotics, applianc...
查看详情 -
5v/3.6A 输入深圳两串锂电池升压充电芯片 BC915_E 兼容IP2325
发布时间:2026-01-095v/3.6A 输入两串锂电池升压充电芯片 BC915_E 兼容IP2325特点*输入工作电压范围4.6V~6V,VIN耐压20V*升压充电效率95%* 输入最大支持18W功率*充电电池电压2串8.4V*充电电压精度±1%*涓流/恒流/恒压...
查看详情 -
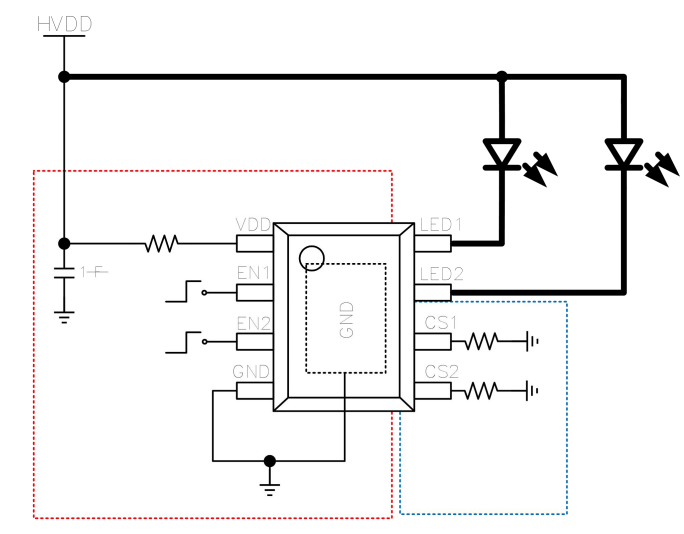
XR8141B 深圳双通道LED驱动芯片, 线性恒流驱动,单路最大恒流500mA,双路并联可达1A
发布时间:2026-01-05XR8141B 双通道LED驱动芯片, 线性恒流驱动,单路最大恒流500mA,双路并联可达1A1.产品特点*3.7V~18V 宽电压工作*最低工作电压3.7V,支持电池供电*芯片关闭时 ,静态电流仅0.6uA*单路最大恒流500mA,双路并...
查看详情



服务热线
公司地址:
公司邮箱: