• USB Type-C PD3.2快充协议智能触发芯片 深圳FS312D

    发布时间:2025-10-13

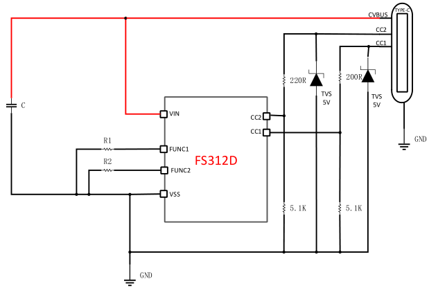
    USB Type-C PD3.2快充协议智能触发芯片FS312DFS312D 可是个“社交达人”,它能和各类 USB Type-C 设备“打成一片”,自动识别充电协议。再也不用担心充电器不兼容啦!芯片内置“智能大脑”,通过 FUNC1/F...

    查看详情

服务热线

0755-86003350

公司地址:

深圳市宝安区西乡街道前进二路149号智汇创新中心A座8层803室

公司邮箱:

cxwenli@126.com

扫码查看手机版

Copyright © 2026 深圳市迅瑞创芯科技有限公司 粤ICP备17163104号